In 3 Schritten eine Sonderanfertigung anfragen


  1. technische Daten eintragen
  2. Firmenstammdaten erfassen
  3. Daten abschicken



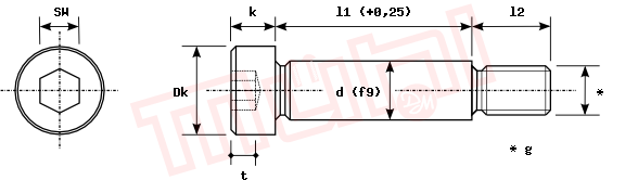
Schaft

Toleranz:

Gewinde

hilfe

hilfe

Kopf

hilfe

hilfe

hilfe

hilfe

Kopfrändel:

Werkstoff & Stückzahl
Material: